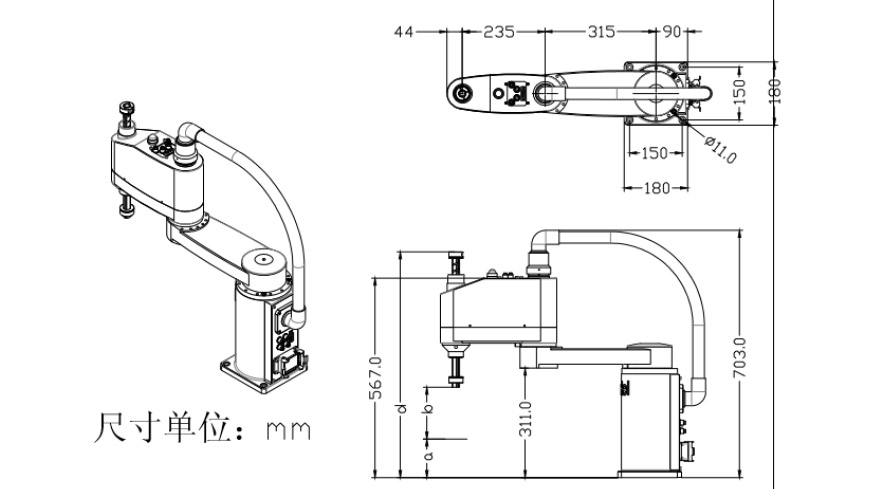
外形尺寸

产品参数

运动控制器

主要说明
欧力克斯工业机器人研发的运动控制器XT_CTRL CARD V04,是一款基于高性能ARM微处理器上,欧力克斯自主研发的一种通用型独立式运动控制器,可控制1-6轴伺服电机或者步进电机,可以与多种类型电机和旧元件组成完整的控制系统。16路通用数字驱动输出能力为24V/500MA,可接继电器,电磁阀之类。运动控制器最高脉冲频率2Mhz,具有点运动,空间直线与圆弧插补,梯形和S形曲线加减速控制等功能。
运动控制器具了讲N简的指令集,用户直接在手编器上编写控制器程序,修改控制器参数;本控制器还配有手编器示教功能,通过简单的编程设定即可做出连续轨迹运动。
特性
32位ARM的Cortex一M3处理器
32路通III数字光祸输入八6路通用数字驱动输出
12路差分输出
2路RS232通信
6轴任意空间直线与圆弧插补
丰富的指令集,可执行G代码
程序存储空64Mbit
应用范围
工业机器人
电子产品自动化加工,装配,测试
半导体,LCD自动加工,检测,点胶机,焊锡
机器视觉及测量自动化
专用数控机机床
选择欧力克斯的3大理由

深圳市欧力克斯科技有限公司成立于2011年,是一家拥有自主品牌的精密点胶设备专业智造商,为深圳市技术创新企业和国家高新技术企业。公司施行集团化管理,除位于深圳市宝安区的总部之外,还拥有苏州生产基地、华东分公司、西南分公司、成都办事处等子公司和分支机构。
欧力克斯通过了ISO9001:2015质量体系认证,拥有自主知识产权专利29项,专注于自动点胶机、喷射式点胶机、在线式点胶机、自动焊锡机、自动灌胶机、喷射阀等流体控制设备及智能制造自动化的研发、生产、销售及为客户提供解决点胶技术方案等配套服务。
OLKS自动化设备主要应用于高端制造业中的IC芯片封装、点胶密封、粘接、表面涂覆、定点灌封、高精密非接触喷射底部填充点胶等组装作业,行业遍及手机组装、3C数码、SMT/EMS、家电、LED照明、新能源、汽车电子、军工、半导体、医疗器械等。公司始终牢记“利他思维”秉持“匠心精神”,强大技术专家团队和精英化销售团队为客户提供“星级服务”创造更大价值,助力中国制造2025!


作为一家科技创新驱动型企业,欧力克斯历来重视新技术的创新与研发,目前已完成了在多个核心关键技术方面知识产权的布局。



欢迎进入欧力克斯
Welcome
![]() | 深圳市欧力克斯科技有限公司 深圳市欧力克斯科技有限公司,成立于2011年,是获得ISO质量认证的国家级高新技术企业。欧力克斯通过了ISO9001:2015质量体系认证,拥有自主知识产权专利29项,专注于自动点胶机、喷射式点胶机、在线式点胶机、自动焊锡机、自动灌胶机、喷射阀等流体控制设备及智能制造自动化的研发、生产、销售及为客户提供解决点胶技术方案等配套服务。 全国服务热线:136-3265-2391 |
欧力克斯总部
OLKS Headquarters
![]() | 电话:13632652391 | ![]() | 传真:0755-27564660 | ![]() | 邮箱:yaoli@szolks.com |
![]() | 公司地址:广东省深圳市宝安区福永街道白石厦东区文明路39号 | ||||
江苏分公司
Jiangshu Branch
地址:江苏省苏州市昆山市玉山镇开贵路11号协和5G科技产业园
重庆分公司
Chongqing Branch
地址:重庆市沙坪坝区科学城大道中电光谷产业园14栋
华东分公司
Chengdu Branch
地址:杭州市余杭区良渚街道
咨询:四轴机器人裸机
* 为必填项
版权所有 深圳市欧力克斯科技有限公司| 备案号:粤ICP备12085459号 保留所有权利.